Колонна фильтрации является технологическим узлом системы водоподготовки,
отвечающим за механическую очистку воды бассейна.
Применение Колонны фильтрации позволяет:
• поддерживать круглосуточную и бесперебойную работу контура фильтрации
• обеспечить максимально эффективную механическую фильтрацию
• повысить эффективность процесса коагулирования
• повысить эффективность реакции химических реагентов
• сократить расход химических реагентов
• автоматизировать процесс промывки
• увеличить интервал между заменой фильтрующего наполнителя
• контролировать пропускную способность каждой колбы фильтрации и суммарный
циркуляционный расход системы водоподготовки
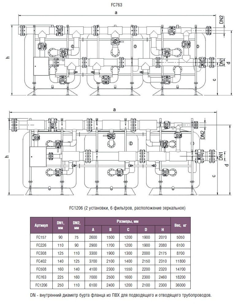
Комплектация Колонны фильтрации:
• колба фильтрации с высотой загрузки 1,2 м - 2 шт.
(для модели FC763 - 3 шт., для модели FC1206 - 6 шт.)
• фильтрующий наполнитель поддерживающий - 1 компл.
• двухкомпонентный фильтрующий наполнитель DFM AM Pen Pro - 1 компл.
• вентильная группа с электроприводами - 1 компл. (для модели FC763 - 2 компл.)
• датчики расхода воды - 2 шт. (для модели FC763 - 3 шт., для модели FC1206 - 6 шт.)
• блок управления режимами работы - 1 шт. (для модели FC1206 - 2 шт.)
• рама вентильной группы - 1 шт. (для модели FC1206 - 2 шт.)
